Gerry McDonnell
Archaeometallurgy
Non-metallic slag inclusions are present in all archaeological and historic iron artefacts. Considerable attention has been paid to them as indicators as sourcing data (Salter & Hedges 1979, Buchwald & Wivel(1998), Dilman & Hertier(2008)
However, little research has been paid to how slag inclusions behave in terms of composition, mineralogy and shape as the iron is worked. Furthermore underlying the research on inclusions is the assumption that all iron has been produced by the bloomery process. In my view this is demonstratively untrue, certainly by the early medieval period and probably in the Roman period.
It is expected that inclusions in the section of an artefact would derive from:
The smelting process
The refining process
Primary smithing
Secondary smithing
Tertiary smithing
....
Nth level smithing


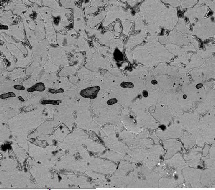
SEM BSE Micrograph Catterick Sample 4067: Source Author
SEM BSE Micrograph Carlisle Sample Fe66: Source Author
Weld Line Inclusions
Hv Indent